第五章 第三节 利用传感器制作简单的自动控制装置-同步导学(新教材人教版选择性必修第二册)
时间:2021-06-02 23:54 来源: 作者:admin 点击:次
|
第3节 利用传感器制作简单的自动控制装置 知识点归纳 知识点一、光控开关的工作原理及实验探究 工作原理(如图所示)
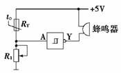
白天,光强度较大,光敏电阻RG电阻值较小,加在斯密特触发器A端的电压较低,则输出端Y输出高电平,发光二极管LED不导通;当天色暗到一定程度时,RG的阻值增大到一定值,斯密特触发器的输入端A电压上升到某个值(1.6 V),输出端Y突然从高电平跳到低电平,则发光二极管LED导通发 光(相当于路灯亮了),这样就达到了使路灯天明熄灭、天暗自动开启的目的. 斯密特触发器是具有特殊功能的非门,即输入低电平将输出高电平;反之,则输出低电平.光敏电阻随着光强度的变化而改变,引起斯密特触发器A端电势的变化. 知识点二、温度报警器 (1)电路如图所示.
(2)工作原理:常温下,调节R1的阻值使斯密特触发器输入端A处于低电平,则输出端Y处于高电平,无电流通过蜂鸣器,蜂鸣器不发声;当温度升高时,热敏电阻RT阻值减小,斯密特触发器输入端A的电压升高,当达到某一值(高电平)时,其输出端Y由高电平跳到低电平,蜂鸣器通电,从而发出报警声.R1的阻值不同,则报警温度不同,可以通过调节R1来调节蜂鸣器的灵敏度. 知识点三、传感器 1.生活中的传感器 (1)与温度控制相关的家用电器,如电饭煲、电冰箱、微波炉、空调、消毒碗柜等,都用到温度传感器. (2)红外传感器:自动门、家电遥控器、生命探测器、非接触红外测温仪以及防盗、防火报警器等. (3)照相机中的光传感器和家用便携式电子秤的压力传感器等. 2.农业生产中的传感器 (1)湿度传感器:判断农田的水分蒸发情况,自动供水或停水. (2)温度传感器和湿度传感器,可对上百个点进行温度和湿度监测.由于有了十分先进可靠的测试技术,有效地减少了霉变现象. 3.工业生产中的传感器 (1)生产的自动化和半自动化.用机器人、自动化小车、自动机床、各种自动生产线或者系统,代替人完成加工、装配、包装、运输、存储等工作.各种传感器使生产的自动运行保持在最佳状态,以确保产品质量,提高效率和产量,节约原材料等. (2)在数控机床中的位移测量装置,就是利用高精度位移传感器进行位移测量,从而实现对零部件的精密加工. 4.飞向太空的传感器 在航空、航天技术领域,传感器应用得较早,也应用得较多,在运载火箭、载人飞船中,都应用了大量的传感器供遥测和遥控系统使用.这些传感器对控制航天器的姿态、接收和发送信息、收集太空数据等都有重要作用.在载人飞船中还使用一类测量航天员各种生理状况的生理传感器,如测量血压、心电图、体温等. 典例分析 一、温度传感器
(1)为了使温度过高时报警铃响,c应接在 (选填“a”或“b”)点。 (2)若使启动报警的温度提高些,应将滑动变阻器滑片P向 移动(选填“左”或“右”)。 (3)如果在调试报警器达到最低报警温度时,无论如何调节滑动变阻器滑片P都不能使报警器工作,且电路连接完好,各电路元件都能处于工作状态,则造成工作电路实际不能工作的原因可能是 。 解析 (1)由图甲可知当温度升高时Rt的阻值减小,通过线圈的电流变大,对衔铁的引力变大,可与a点接触,欲使报警器报警,c应接在a点。 (2)若使启动报警的温度提高些,可使电路的相对电流减小一些,以使得热敏电阻Rt的阻值减小得更大一些,所以将滑动变阻器滑片P向左移动,增大滑动变阻器接入电路的阻值。 (3)在调试报警器达最低报警温度时,无论如何调节滑动变阻器滑片P都不能使报警器工作,可能是通过线圈的电流太小或线圈匝数太少,对衔铁的引力较小,也可能是弹簧的弹力较大,线圈的磁力不能将衔铁吸引到和a接触的状态,还可能是乙图电源电压太低。 答案 (1)a (2)左 (3)可能是乙图中的电源电压太低或电流太小或继电器线圈匝数太少或弹簧劲度系数太大 二、光控开关
试说明其工作原理.
解析 天较亮时,光敏电阻RG阻值较小,斯密特触发器输入端A电势较低,则输出端Y输出高电平,线圈中无电流,工作电路不通.天较暗时,光敏电阻RG电阻增大,斯密特触发器输入端A电势升高,当升高到一定值,输出端Y由高电平突然跳到低电平,有电流通过线圈A,电磁继电器工作,接通工作电路,使照明灯自动开启. 天明后,RG阻值减小,斯密特触发器输入端A电势逐渐降低,降到一定值,输出端Y突然由低电平跳到高电平,则线圈A不再有电流,电磁继电器自动切断工作电路的电源,照明灯熄灭. 答案 见解析
自我检测 1.机器人可以通过外部传感器来感知外部环境和外界事物,下列说法有误的是( ) A.温度传感器让其感知温度变化,此传感器是热敏电阻,阻值一定随温度升高而增大 B.光电传感器可以作为眼睛,此传感器若是光敏电阻,阻值一定随光亮度增加而减小 C.超声波传感器可以作为耳朵,让其听到常人听不到的声音 D.压力传感器可以使其有“手感” 答案 A 2.全自动洗衣机中的排水阀是由程序控制其动作的,当进行排水和脱水工作时,控制铁芯1的线圈通电,使铁芯2运动,从而牵引排水阀的阀门,排除污水,如下图所示.以下说法正确的是(
A.若输入的控制电流由a流入,由b流出,则铁芯2中A端为N极,B端为S极 B.若输入的控制电流由a流入,由b流出,则铁芯2中A端为S极,B端为N极 C.若a、b处输入交变电流,铁芯2仍不能被吸入线圈中 D.若a、b处输入交变电流,铁芯2仍能被吸入线圈中 解析 若输入控制电流由a流入,由b流出,则铁芯1左端为N极,右端为S极,它将使铁芯2磁化,A端为S极,B端为N极,并吸入线圈中,若a、b处输入交变电流,铁芯2仍能被吸入线圈中,故选B、D. 答案 BD 3.小强用恒温箱进行实验时,发现恒温箱的温度持续升高,无法自动控制。经检查,恒温箱的控制器没有故障。参照原理图,下列对故障判断正确的是( )
A.只可能是热敏电阻出现故障 B.只可能是温度设定装置出现故障 C.热敏电阻和温度设定装置都可能出现故障 D.可能是加热器出现故障 解析 由恒温箱原理图可知,若热敏电阻出现故障或温度设定装置出现故障都会向控制器传递错误信息,导致控制器发出错误指令,故C正确,A、B错误;若加热器出现故障,只有一种可能,即不能加热,而题中加热器一直加热才会使温度持续升高,故D错误。] 答案 C 4.下列说法中正确的是( ) A.硅、锗不属于半导体 B.在半导体中加入微量杂质,可以使其导电能力成百万倍增大 C.N型半导体的载流子以空穴为主 D.PN结是构成晶体二极管的基础,不是构成三极管的基础 答案 B 5.如图所示是家用电冰箱的压缩启动装置的电路.其中的运行绕组是电冰箱在工作时的电动机定子,由于家用交流电是单相的,启动时必须依靠启动绕组的帮助才能产生旋转磁场.在启动绕组的支路中串联有一个PTC元件,这是一种以钛酸钡为主要材料的热敏电阻器.电流流过PTC元件,元件发热,它的电阻率随温度升高而发生显著变化,当电动机转动起来正常以后,PTC元件温度较高,电阻很大,启动绕组电流很小.则以下判断正确的是( )
①电冰箱的电动机启动时比正常工作时耗电少 ②电冰箱的电动机正常工作时比启动时耗电少 ③电冰箱启动后,启动绕组功率不变,运行绕组功率是变化的 A.①③ B.②④ C.①④ D.②③ 解析 启动时,由于PTC元件温度低电阻小,故耗电多,②正确;启动后,随PTC元件温度升高,PTC元件电阻增大,通过启动绕组的电流减小,故启动绕组功率是变化的,而运行绕组电压不变,故功率不变,则④正确. 答案 B 6.如图所示是利用硫化镉制成的光敏电阻自动计数的示意图,其中A是发光仪器,B是光敏电阻,R是普通定值电阻,下列说法中正确的是( )
A.当传送带上没有物品挡住由A射向B的光信号时,光敏电阻的阻值变小,电压表读数变小 B.当传送带上没有物品挡住由A射向B的光信号时,光敏电阻的阻值变大,电压表读数变大 C.当传送带上有物品挡住由A射向B的光信号时,光敏电阻的阻值变小,电压表读数变小 D.当传送带上有物品挡住由A射向B的光信号时,光敏电阻的阻值变大,电压表读数变大 解析 B是光敏电阻,其阻值随光照强度的增大而减小。当没有物品挡住光时,光射向B,B的阻值减小,其电流变大,由U=E-Ir知电压表读数变小,A正确,B错误;有物品时,光被挡住,B的阻值增大,电流减小,电压表读数变大,C错误,D正确。 答案 AD 7.氧化锡传感器主要用于汽车尾气中一氧化碳浓度的检测,它的电阻随一氧化碳浓度的变化而变化.在如图甲所示的电路中,不同的一氧化碳浓度对应着传感器的不同电阻,这样,电压表的指针位置就与一氧化碳浓度有了对应关系,观察电压表指针就能判断一氧化碳浓度是否超标.有一种氧化锡传感器,其技术资料中给出的是电导(即电阻的倒数)—CO浓度曲线,如图乙所示.在下列表示一氧化碳浓度c与电压表示数U0之间关系的图象中正确的是( )
解析 由资料中给出的是电导(即电阻的倒数)—CO浓度曲线可知电导与CO浓度成正比,CO浓度越大,传感器电阻越小,电路中电流越大,电压表示数越大,但是电压表示数与CO浓度不是成正比关系,所以正确选项是D. 答案 D 8.传感器是把非电学量(如速度、温度、压力等)的变化转换成电学量的变化的一种元件,在自动控制中有着相当广泛的应用。有一种测量人的体重的电子秤,其测量部分的原理图如图中的虚线框所示,它主要由压力传感器R(电阻值会随所受压力大小发生变化的可变电阻)、显示体重大小的仪表
(1)该秤零起点(即踏板空载时)的刻度线应标在电流表刻度盘 A处。 (2)如果某人站在该秤踏板上,电流表刻度盘的示数为20 mA,则这个人的体重是 kg。 解析 (1)由图表知,踏板空载时,压力传感器电阻R=300 Ω,此时A中电流I== A=1.6×10-2 A。 (2)当电流I=20 mA=20×10-3A时,压力传感器的电阻R== Ω=240 Ω,对应表格中,这个人的质量为50 kg。 答案 (1)1.6×10-2 (2)50
|










