第五章 第二节 常见传感器的工作原理及应用-同步导学(新教材人教版选择性必修第二册)
时间:2021-06-02 23:54 来源: 作者:admin 点击:次
第2节 常见传感器的工作原理及应用知识点归纳 知识点一、热敏电阻 1.热敏电阻器是电阻值随温度变化而变化的敏感元件.在工作温度范围内,电阻值随温度上升而增加的是正温度系数(PTC)热敏电阻器;电阻值随温度上升而减小的是负温度系数(NTC)热敏电阻器.热敏电阻器可按电阻温度特性、材料、结构、工作方式、工作温度和用途进行分类. 2.热敏电阻器的分类
3.热敏电阻器的用途十分广泛,主要应用于:①利用电阻-温度特性来测量温度、控制温度和元件、器件、电路的温度补偿;②利用非线性特性完成稳压、限幅、开关、过流保护作用;③利用不同介质中热耗散特性的差异测量流量、流速、液面、热导、真空度等;④利用热惯性作为时间延迟器. 知识点二、热敏电阻 1.光敏电阻的特性:光敏电阻能够把光照强弱这个光学量转换为电阻这个电学量.光敏电阻的电阻随光照的增强而减小. 2.光敏电阻的工作原理:光敏电阻在被阳光照射时电阻发生变化,原因是构成物质为半导体材料,无光照时,载流子极少,导电性能不好,电阻增大,随光照的增强,载流子增多,导电性能变好,电阻减小. 3.热敏电阻及其特性 ⑴热敏电阻:热敏电阻由半导体材料制成,其电阻值随温度的变化明显,温度升高电阻减小,如图所示为某一热敏电阻的电阻值随温度变化的特性曲线.
⑵金属热电阻:有些金属的电阻率随温度的升高而增大,这样的电阻也可以制作温度传感器,称为热电阻.下图为某金属导线的电阻-温度特性曲线.
注意:热敏电阻和金属热电阻都能够把温度这个热学量转换成电阻这个电学量,但相比而言,金属热电阻的化学稳定性好,测温范围大,而热敏电阻的灵敏度较好. 知识点三、霍尔元件 1.霍尔元件:如图所示,在一个很小的矩形半导体(例如砷化铟)薄片上,制作四个电极E、F、M、N,就成为一个霍尔元件.
说明:霍尔元件能够把磁感应强度这个磁学量转换为电压这个电学量. 2.霍尔电压UH=k. 说明:(1)其中k为比例系数,称为霍尔系数,其大小与薄片的材料有关. (2)一个霍尔元件的d、k为定值,再保持I恒定,则UH的变化就与B成正比,因此霍尔元件,又称磁敏元件. 3.霍尔效应的原理:外部磁场使运动的载流子受到洛伦兹力,在导体板的一侧聚集,在导体板的另一侧会出现多余的另一种电荷,从而形成横向电场;横向电场对电子施加与洛伦兹力方向相反的静电力,当静电力与洛伦兹力达到平衡时,导体板左右两侧会形成稳定的电压,设上图中MN方向长度为l2,则q=qvB.根据电流的微观解释I=nqSv,整理后,得UH=.令k=,因n为材料单位体积的带电粒子个数,q为单个带电粒子的电荷量,它们均为常数,所以UH=k.UH与B成正比,这就是为什么霍尔元件能把磁学量转换成电学量的原因. 知识点四、电容式传感器 ①原理:电容器的电容C取决于极板正对面积S、极板间距离d及极板间电介质这几个因素,如果某一物理量(如角度θ、位移s、深度h等)的变化能引起上述某一因素的变化,从而引起电容的变化,那么测定电容器的电容就可以确定上述物理量的变化. ②常见电容式传感器,如图所示.
知识点五、热敏电阻和金属热电阻对比 1.热敏电阻或金属热电阻能够把温度这个热学量转换为电阻这个电学量,它们有什么区别? 从温度变化对导电性能的影响上来讲,温度升高,热敏电阻减小;金属热电阻增大.从化学稳定性上讲,金属热电阻的化学稳定性好,测温范围大,而热敏电阻的灵敏度较好. 2.热敏电阻的用途十分广泛,主要应用于什么地方? (1)利用电阻的温度特性来测量温度、控制温度和元件、器件、电路的温度补偿. (2)利用非线性特性完成稳压、限幅、开关、过流保护作用. (3)利用不同介质中热耗散特征的差异测量流量、流速、液面、热导、真空度等. (4)利用热惯性作为时间延迟器. 3.对于热敏电阻来讲,分为正温度系数电阻和负温度系数电阻,热敏电阻和金属热电阻分别属于哪种电阻? 正温度系数电阻是指温度升高电阻增大的电阻,负温度系数电阻是指温度升高而电阻降低的电阻,金属热电阻属于正温度系数电阻,热敏电阻属于负温度系数电阻. 知识点六、力传感器的工作原理 1.如图所示是一种由金属梁和应变片组成的力传感器.应变片是一种敏感元件,现在多用半导体材料制成.这种应变片能把物体形变这个力学量转换为电压这个电学量.如图所示,弹簧钢制成的梁形元件右端固定,在梁的上下表面各贴一个应变片,在梁的自由端施力F,则梁发生弯曲,上表面拉伸,下表面压缩,上表面应变片的电阻变大,下表面的电阻变小.F越大,弯曲形变越大,应变片的电阻变化就越大.
压力的大小转变为电压的大小输出的方法:如果让应变片中通过的电流保持恒定,那么上面应变片两端的电压变大,下面应变片的两端的电压变小.传感器把这两个电压的差值输出.外力越大,输出的电压差值也就越大. 2.分析图中力学传感器的原理:当汽车对托盘的压力即汽车的重力发生变化时,电路中滑动变阻器的阻值随之变化,当重力增加时,滑动变阻器接入电路部分的电阻阻值减小,电路电流增加.
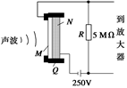
知识点七、话筒的工作原理 1.电容式话筒工作原理:电容式话筒的保真度好.如图所示,Q是绝缘支架,薄金属膜M和固定电极N形成一个电容器,被直流电源充电.当声波使膜片振动时,电容发生变化,电路中形成变化的电流,于是电阻R两端就输出了与声音变化规律相同的电压.
2.动圈式话筒的工作原理:如图所示,动圈式话筒组成部分由磁铁、音圈、金属膜片组成,音圈和金属膜片相连,当声波使金属膜片振动时,连接在金属膜片上的音圈随着膜片一起振动,音圈在磁铁的磁场中振动,其中就产生了感应电流,把声音信号转换成电流信号.
知识点八、温度传感器的应用 1.双金属片的应用:在温度传感器中,有一种双金属传感器,它把两种不同热膨胀系数的金属片贴合在一起,制成一条双金属片,温度变化时,因为两种金属片伸长不一样而发生弯曲,使电路的开关闭合或断开.在日光灯启动器和电熨斗中都有这种双金属传感器. 2.电熨斗的工作原理:如图所示,这是一个电熨斗的内部图,熨烫衣物时需要一定的温度.
(1)电熨斗通过电热丝对电熨斗的金属底板进行加热的,两根导线分别接在开关两端. (2)电熨斗内部装有双金属片温度传感器,这种传感器的作用是控制电路的通断,如图所示.常温下,上、下触点应是接触的,但温度过高时,由于双金属片受热膨胀系数不同,上部金属膨胀大,下部金属膨胀小,则双金属片向下弯曲,使触点分离,从而切断电源,停止加热.温度降低后,双金属片恢复其原来状态,重新接通电路加热,这样循环进行,起到自动控制温度的作用. (3)可以通过调温旋钮来调节升降螺丝的升降来实现不同温度的设定.若需要熨烫的温度较低,则应使升降螺丝上升. 典例分析 一、热敏电阻和金属热电阻
①通电后,其电功率先增大,后减小 ②通电后,其电功率先减小,后增大 ③当其产生的热量与散发的热量相等时,温度保持在t1不变 ④当其产生的热量与散发的热量相等时,温度保持在t1和t2之间的某一值不变 A.①③ B.②③ C.②④ D.①④ 解析 当电热灭蚊器温度由0升到t1的过程中,电阻器的电阻率ρ随温度升高而减小,其电阻R随之减小,由于加在灭蚊器上的电压U保持不变,灭蚊器的热功率P随之增大,当t=t1时,P=P1达到最大.当温度由t1升高到t2的过程中 ρ增大,R增大,P减小;而温度越高,其与外界环境温度的差别也就越大,高于环境温度的电热灭蚊器的散热功率P′也就越大;因此在这之间的某一温度t3会有P=P3= P′,即电热功率P减小到等于散热功率时,即达到保温;当t<t3,P>P′,使温度自动升高到t3;当t>t3,P<P′,使温度自动降为t3,实现自动保温. 答案 D 二、传感器的结构和应用模式
如图所示的是一种测定压力的电容式传感器,当待测压力F作用于可动膜片的电极上时,以下说法中正确的是( ) ①若F向上压膜片电极,电路中有从a到b的电流 ②若F向上压膜片电极,电路中有从b到a的电流 ③若F向上压膜片电极,电路中不会出现电流 ④若电流表有示数,则说明压力F发生变化 ⑤若电流表有示数,则说明压力F不发生变化 A.②④ B.①④ C.③⑤ D.①⑤ 解析 当F向上压膜片电极时,板间距离减小,电容器的电容将增大.当F变化时,电容变化,而板间电压不变,由Q=CU,故带电荷量Q发生变化,电容器将发生充、放电现象,回路中有电流,电流计有示数.反之,电流计有示数时,压力F必发生变化. 答案 A 三、电饭锅
(1)分析电饭煲的工作原理; (2)计算加热和保温两种状态下,电饭煲消耗的电功率之比; (3)如果不闭合开关S1,能将饭煮熟吗? 解析 (1)电饭煲盛上食物后,接上电源,S2自动闭合,同时手动闭合S1,这时黄灯被短路不亮,红灯亮,电饭煲处于加热状态.加热到80℃时,S2自动断开,S1仍闭合.水烧干后,温度升高至103℃时,开关S1自动断开,这时饭已煮熟,黄灯亮,电饭煲处于保温状态.由于散热,待温度降至70℃时,S2自动闭合, 电饭煲重新加热;温度达到80℃时,S2又自动断开,再次处于保温状态. (2)加热时,电饭煲消耗的电功率P1=, 保温时,电饭煲消耗的电功率P2=, 两式中,R并==Ω,从而有==. (3)如果不闭合开关S1,开始S2总是闭合的,R1被短路,功率为P1,当温度上升到80℃时,S2自动断开,功率降为P2,温度降低到70℃,S2自动闭合……温度只能在70℃~80℃之间变化,不能把水烧开,故不能煮熟饭. 答案 见解析 自我检测 1.光敏电阻的阻值随着入射光强度的增加而__________.由于它对光照比较敏感,所以 它可以作____________传感器. 答案 减小 光电 2.金属的电阻率随温度的升高而________.用金属丝可以制作________传感器,称为________. 答案 增大 温度 热电阻 3.与金属不同的是,有些半导体的导电能力随温度的升高而________,故可以用半导体材料制作________. 答案 增强 热敏电阻 4.与热敏电阻相比,金属热电阻的______________好,测温范围______,但________较差. 答案 化学稳定性 大 灵敏度 5.霍尔元件是能够把磁学量________转换为电学量________的传感器元件. 答案 磁感应强度 电压 6.半导体材料受到光照或者温度升高时,会有更多的________获得能量成为________,同时也形成更多的________,于是________明显地增强. 答案 电子 自由电子 空穴 导电性 7.电子秤中常用的一种力传感器是由金属梁和________制成.________是一种敏感元件,多用________材料制成. 答案 应变片 应变片 半导体 8.话筒是一种常用的________传感器,其作用是将________信号转换为________信号. 答案 声 声 电 9.动圈式话筒是利用________原理将__________信号转换为________信号的. 答案 电磁感应 声 电 10.驻极体话筒由内部的驻极体________感受声波,其工作电压为________ V. 答案 塑料薄膜 3~6 11.电熨斗装有________________传感器,其作用是____________________. 答案 双金属片温度 控制电路的通断 12.温度传感器的核心元件是________,它具有将________转化为________的性质. 答案 热敏电阻 温度 电阻 |











